Эксклюзивная поставка кулачковой муфты - аналог NOR-MEX G 415 и пластинчатой муфты - аналог Radex NN 246 d1/d2=80мм
Наши специалисты провели работу по поставке муфт нестандартно большого размера.
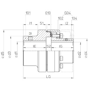
Аналог муфты NOR-MEX G 415 состоит из нескольких компонентов.
Для его изготовления применяется электропроводящий чугун, который предотвращает накопление статического электричества.
Крутящий момент передается через упругий элемент, выполненный из пербунана с нитрил-каучуком.
Муфта обладает стойкостью к маслам и агрессивным жидкостям, устойчивостью к пролому. Установка возможна в любом положении и с любым направлением вращения.
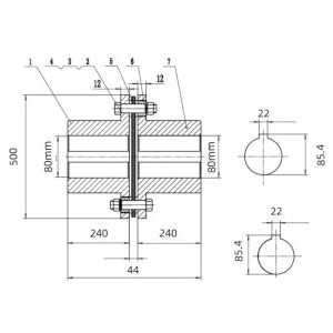
Аналог стальной пластинчатой муфты NN 246 d1/d2=80мм отличается высокой жесткостью на кручение и минимальными осевыми люфтами.
Форма пластин с усиленными болтами позволяет соединять вал и ступицу без зазоров, компенсируя смещения валов.
Такие муфты используются в приводах, где повышены требования к точности и долговечности, в нашем случае это деревообрабатывающий завод.
Срок изготовления и доставки от момента заказа до получения клиентом составил примерно 12 недель.
Чтобы заказать изготовление муфт, купить соединительные муфты или проконсультироваться, звоните по телефону +7 812 985 51 08 или напишите нам на почту info@euromehanika.ru.


