Модуль линейный (каретка) SBR 50 UU, EMT
Есть в наличии
Нашли дешевле?
Запрос цены
Наши менеджеры обязательно свяжутся с вами и уточнят условия заказа
Цена действительна при наличии товара на складе.
Минимальная сумма заказа - 1000 рублей.
Ответим на все интересующие вопросы и подберём оптимальный вариант info@euromehanika.ru
Описание
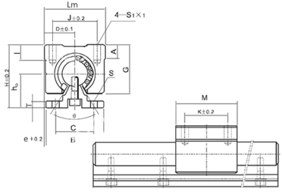
Компактный линейный модуль (каретка) открытого типа SBR50UU в алюминевом корпусе, российского бренда ЕМТ, предназначена для плавного перемещения вдоль рельсовых направляющих SBR диаметром 50 мм, имеет с боку регулироваочный винт, который позволяет сократить заводской люфт.Характеристики
|
Тип
|
SBR50 |
|
Тип подшипника
|
LM50-OP |
|
Диаметр отверстия, d ,мм
|
50 |
|
D, мм
|
60 |
|
Исполнение отверстия
|
M10x20 |
|
H, мм
|
115 |
|
G, мм
|
91 |
|
Угол конакта, град
|
50 |
|
ho, мм
|
62 |
|
Lm, мм
|
120 |
|
e, мм
|
12,5 |
|
S, мм
|
11,0 |
|
M, мм
|
110,0 |
|
T, мм
|
11,0 |
|
J, мм
|
94 |
|
K, мм
|
80 |
|
A, мм
|
25,0 |
|
B, мм
|
95 |
|
C, мм
|
70 |
|
Динамическая грузоподъемность, радиальная, Cr, Н
|
3820 |
|
Статическая грузоподъемность, радиальная, C0r, Н
|
7930 |
|
Материал
|
Алюминий |
|
Производитель
|
EMT |
|
Вес, кг
|
3,00 |
Наличие
Новости
Все новости
30 апреля 2026
Новинки: ходовые винты и гайки «EMT» уже в наличии
6 апреля 2026
Нашли дешевле? Мы предложим максимально выгодную цену!
12 марта 2026
«Евромеханика» получила благодарственное письмо




























