Опора вала SHF 50, EMT
1 924 руб./шт
Есть в наличии
Нашли дешевле?
-
+
В корзину
Купить в 1 клик
Цена действительна при наличии товара на складе.
Минимальная сумма заказа - 1000 рублей.
Ответим на все интересующие вопросы и подберём оптимальный вариант info@euromehanika.ru
Описание
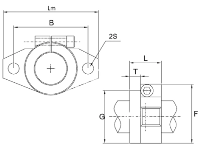
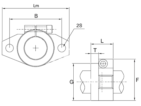
Концевая опора типа SHF50, российского бренда ЕМТ, предназначена для торцевого монтажа направляющего вала диаметром 50 мм. Имеет ширину фланца 122 мм, межцентровое расстояние крепежных отверстий 96 мм. Держатель обеспечивает достаточную жесткость приспособления линейного перемещения.Характеристики
|
Тип
|
SHF50 |
|
Диаметр отверстия, d ,мм
|
50 |
|
L, мм
|
50 |
|
G, мм
|
70 |
|
F, мм
|
83 |
|
Lm, мм
|
122 |
|
S, мм
|
14,0 |
|
Тип болта, мм
|
М12 |
|
T, мм
|
19 |
|
B, мм
|
96 |
|
Материал
|
Алюминий |
|
Производитель
|
EMT |
|
Вес, кг
|
0,89 |
Наличие
Новости
Все новости
30 апреля 2026
Новинки: ходовые винты и гайки «EMT» уже в наличии
6 апреля 2026
Нашли дешевле? Мы предложим максимально выгодную цену!
12 марта 2026
«Евромеханика» получила благодарственное письмо




























