Вал прецизионный с опорой SBR13, L=4010 мм, EMT
Уточните наличие и цену
Нашли дешевле?
Запрос цены
Наши менеджеры обязательно свяжутся с вами и уточнят условия заказа
Цена действительна при наличии товара на складе.
Минимальная сумма заказа - 1000 рублей.
Ответим на все интересующие вопросы и подберём оптимальный вариант info@euromehanika.ru
Описание
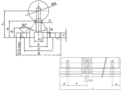
Вал прецизионный серии SBR, диаметром 13 мм, длиной 4010 мм, установлен на алюминиевую опору с радиальными отверстиями для монтажа, которая устраняет провисание направляющих на большой длине. Поверхность вала закалена до твердости 60-62 HRC.Характеристики
|
Тип
|
SBR13 |
|
Диаметр отверстия, d ,мм
|
13 |
|
A1, мм
|
9 |
|
H, мм
|
14,5 |
|
L, мм
|
4010 |
|
G, мм
|
6 |
|
Угол конакта, град
|
80 |
|
ho, мм
|
21 |
|
F, мм
|
15 |
|
e, мм
|
17,0 |
|
R, мм
|
9,8 |
|
S, мм
|
4,5 |
|
P,мм
|
100,0 |
|
T, мм
|
4,5 |
|
A, мм
|
5,0 |
|
B, мм
|
34 |
|
d1, мм
|
5,0 |
|
C, мм
|
25 |
|
Материал
|
Сталь/Алюминий |
|
Производитель
|
EMT |
|
Вес, кг
|
6,96 |
Наличие
Новости
Все новости
6 апреля 2026
Нашли дешевле? Мы предложим максимально выгодную цену!
12 марта 2026
«Евромеханика» получила благодарственное письмо
6 марта 2026
Поздравляем с 8 Марта!




























